欢迎来到鄂尔多斯城市矿产研究开发有限责任公司官网!
鄂尔多斯市东胜区固体废弃物资源化工程技术研究所
鄂尔多斯市城市矿产研究开发有限责任公司
内蒙古城矿环境检测有限公司LABORATORY OVERALL ENGINEERING SOLUTIONS EXPERTS
全国咨询热线:15149599955
0477—8549927
热门关键词:城矿公司,固废所,环境检测,环保管家
您的位置: 网站首页 >综合新闻 >企业动态

咨询热线

13722191568

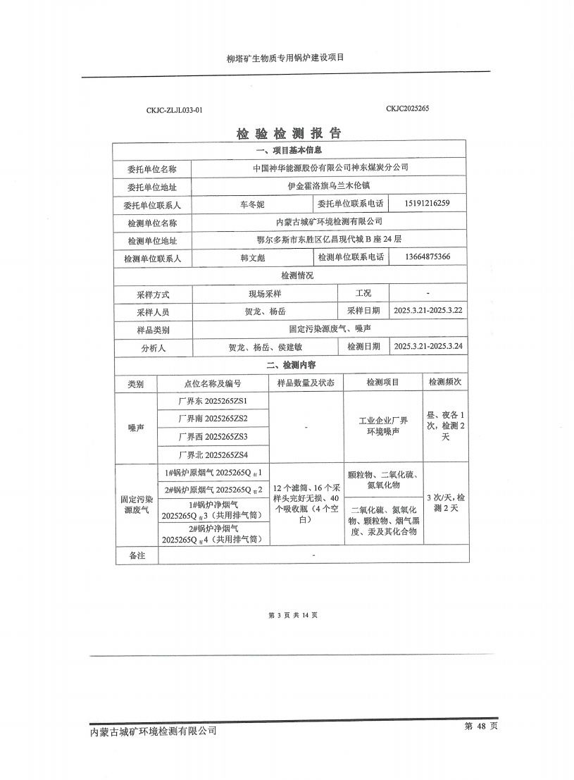
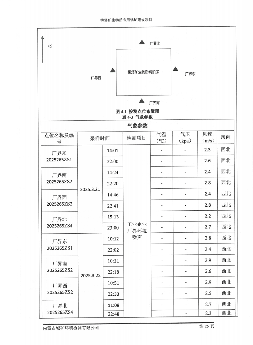
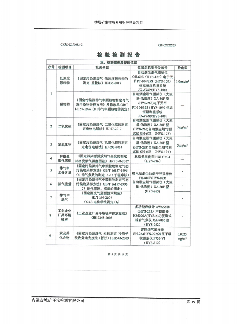
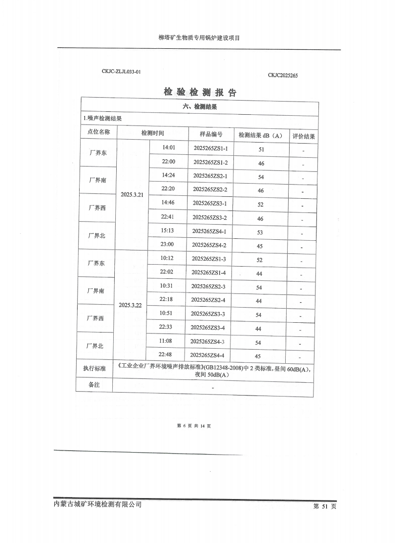
柳塔矿生物质专用锅炉建设项目竣工环境保护自主验收监测报告表

作者: 点击:263 发布时间:2025-11-08

柳塔矿生物质专用锅炉建设项目竣工环境保护自主验收监测报告表

柳塔矿生物质专用锅炉建设项目竣工环境保护自主验收监测报告表



柳塔矿生物质专用锅炉建设项目竣工环境保护自主验收监测报告表


柳塔矿生物质专用锅炉建设项目竣工环境保护自主验收监测报告表





柳塔矿生物质专用锅炉建设项目竣工环境保护自主验收监测报告表


柳塔矿生物质专用锅炉建设项目竣工环境保护自主验收监测报告表


柳塔矿生物质专用锅炉建设项目竣工环境保护自主验收监测报告表


柳塔矿生物质专用锅炉建设项目竣工环境保护自主验收监测报告表




鄂尔多斯市城市矿产研究开发有限责任公司、内蒙古城矿环境检测有限公司

蒙ICP备2020003509号-1     |      网站地图      XML地图